Tomáš Kudrna, původní autor tohoto webu, dne 4. června 2016 tragicky zahynul při leteckém neštěstí.
Jeho web je zachováván v původním stavu coby historický dokument a na jeho památku.

Tato stránka (text původního článku nebo překlad cizojazyčného originálu pro stránku tom-bdsm.cz) je autorským dílem a její kopírování, s výjimkou kopírování pro osobní potřebu jednotlivců, je bez předchozího písemného souhlasu autora zakázáno. Toto NENÍ svolení s kopírováním na "osobní" nebo soukromé stránky.

Vstupní strana webu: tom-bdsm.cz. Přijďte zas! Dejte si záložku (v IE Ctrl+D)

Autor: Milkov. Chcete také přispět? Napište mi na adresu uvedenou na vstupní stránce tohoto webu.

Elektrošokový přístroj TENS 2

Obrázky


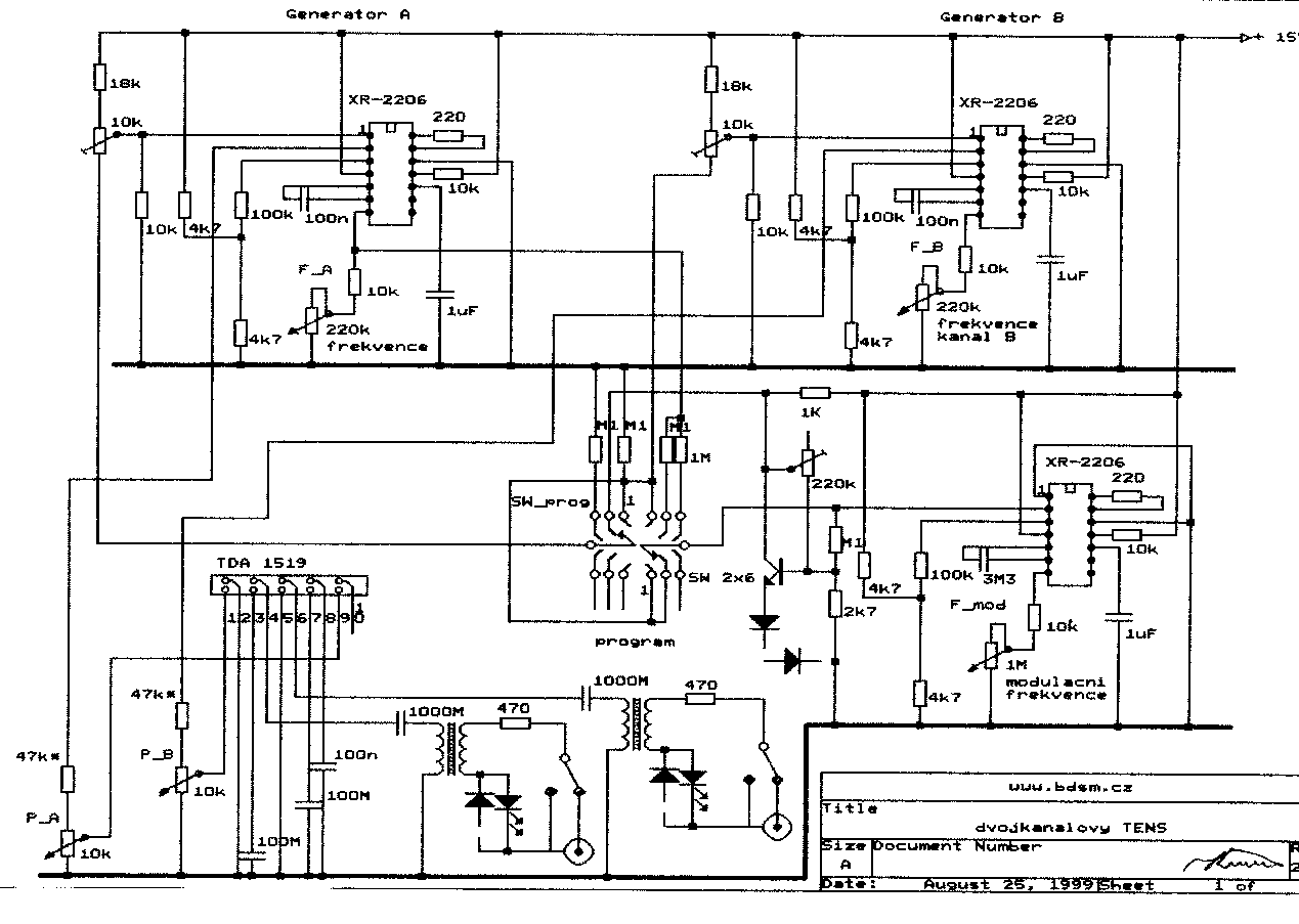
Schéma zapojení
DAT soubor pro OrCAD - soubor se schématem
Výroba elektrod - samostatný příspěvek

Lepší TENS

Idea dále popisovaného zařízení pochází z vývojové dílny Pitta Muellera (mailto:pitt_he@hotmail.com). Jde o dvojkanálový přístroj, skýtající celou řadu možných využití. Celé zařízení je postaveno kolem generátoru XR-2206 (v GME za cca 120 Kč) a výkonového zesilovače TDA 1519 (za obdobnou cenu). Popis konstrukce vědomě nebude úplný - jde o relativně složité zařízení, které by NEMĚL stavět člověk bez zkušeností s elektronikou. Jedinec zběhlý si pak snadno plošný spoj navrhne a vyrobí. Příslušný schematic file pro OrCAD je přiložen. Rád bych i na tomto místě zdůraznil, že se NEZABÝVÁM KOMERČNÍ VÝROBOU ani neprovozuji placené služby v tomto oboru. Nemějte mi proto za zlé, že maily s podobnými žádostmi přeměrovávám na dev nul:. Tradičně podotýkám, že komerční využití dané konstrukce stejně tak, jako její využívání ve všech formách orgány státu je výslovně zakázáno.

Popis zapojení.

Zařízení se skládá ze dvou generátorů sinusového průběhu, označených A a B, modulačního generátoru, budicího stupně a koncových měničů. Oba generátory A a B jsou takřka identické, v zapojení doporučeném výrobcem. Jejich základní frekvence se pohybuje kolem 3 kHz. Generátor modulace běží pomaleji, jeho základní frekvence je nastavena na 100 Hz. Šestipolohový dvojnásobný přepínač nastavuje výstupní signál takto:

Poloha 1: synchronní amplitudová modulace v obou kanálech
Poloha 2: modulace v obou kanálech v protifázi
Poloha 3: nezávislý běh obou kanálů bez modulace
Poloha 4: mělká frekvenční modulace kanálu A, kanál B volně běžící
Poloha 5: hluboká frekvenční modulace kanálu A, kanál B volně běžící
Poloha 6: amplitudová modulace kanálu A, kanál B volně běžící

Tranzistor mezi výstupy obou kanálů slouží jako invertor. Jeho pracovní bod se nastavuje trimrem M22 mezi bází a kolektorem.

Amplituda signálu v obou kanálech je řízena na vstupu výkonového zesilovače TDA 1519. Odpory označené hvězdičkou slouží pro nastavení výstupního napětí podle použitých transformátorů. Lze je nahradit trimry M1 pro pohodlnější nastavení. Zesilovač je, odhlédneme-li od atypické átěže v katalogovém zapojení.

Koncový stupeň je osazen transformátorem s převodem cca 1: 10 s ochranným odporem na výstupu. Do výstupu jsou kromě indikačních diod umístěny i spínače výstupu kanálu - podle zamýšleného použití lze použít tlačítka nebo páčkové spínače. Nepoužívaný výstup je zkratován pro větší bezpečnost. Podle intenzity svitu LED lze poměrně slušně odhadnou proud, tekoucí mezi elektrodami - dioda se rozsvěcí při 2 mA a při 20 mA už svítí VELMI jasně.

Zařízení je napájeno 15 V, stabilizace není nutná. Pro portativní provedení lze použít dvě devítivoltové baterie, případně tři baterie ploché. U stacionárního zařízení poslouží i autobaterie, bude ale třeba pohrát si s nastavením (výstupní napětí by mohlo být nedostačující). Napájení má blokovací kondenzátory podle doporučení výrobce.

Konstrukce.

Přístroj lze sestavit na jediné desce s plošným spojem - zapojení není choulostivé na zpětné vazby. Potenciometry nepoužíváme úplně miniaturní, brzy se vydřou. Dvojitý přepínač na šest poloh je lepší pořídit s vývody do plošného spoje, u GME má označení DS2PC a vyjde na necelou padesátikorunu. Trimry jsou cermetové Piher, vydrží i hodně nešetrné zacházení. Výkonový stupeň je nutno umístit na dostatečně dimenzovaný chladič, za provozu je dosti namáhám v režimu, pro který není projektován. Dosedací plochu je třeba natřít silikonovou vazelínou, nebo teplovodnou pastou. U stacionárního zařízení lze použít aktivní chlazení větráčkem - je docela efektní, když se po zapnutí přístroje klíčkem rozběhne ventilátor. Dalším zajímavým efektem může být vestavění kontrolních svítivek do spínacích tlačítek výstupů - hmatník by ale měl být velkoplošný, aby na svítivku bylo vidět i v případě, kdy na tlačítku leží prst. Transformátory jsou mikrominiaturní HAHN s příkonem 0,35 VA. Rozměrově vycházejí do prostoru 23x22x15 mm a mají vývody pro plošné spoje. Podotýkám, že trafa této řady u nás nejsou homologována, nejbližší podobné homologované trafo až v řadě EI30 (zkušební napětí 4 kV) Odpory postačí miniaturní, kondenzátory použijeme nastojato takové, jaké seženeme. Krabičku použije každý dle svých představ a možností, rozměrově vyhoví třeba U-U5 z Forsanu od GME, která má i výborné izolační vlastnosti. Jako konektor lze pro každý kanál použít dvojici přístrojových svorek nebo konstrukci přizpůsobit stávajícímu sortimentu kabelů a elektrod.

Oživení.

Konstrukce neskrývá žádné záludnosti a při pečlivé práci funguje a první zapojení. Trimry 10 kOhm na řídících vstupech 1 XR-2206 nastavíme požadovanou hloubku modulace, v režimu 2 nastavíme trimrem M22 režim invertoru (nejlépe podle osciloskopu) a upravíme vstupní napětí pro zesilovač podle transformátorů a odolnosti subjektu. V režimu 3 při zkratovaných výstupech nastavíme maximální výstupní napětí, střední frekvenci a zkontrolujeme oteplení výkonového stupně. Tím je zařízení připraveno k provozu.

Provoz.

Zařízení nabízí zajímavou možnost experimentovat s „biologickými zázněji“. Ideální je vaginální elektroda se čtyřmi vodivými polepy, orientovanými podél osy, ale pro demonstraci poslouží i čtveřice krokosvorek. Vždy dvě krokosvorky, patřící ke stejnému kanálu připojíme na protilehlé strany dvorce bradavky (lépe pravého prsu) a vykoušíme změnu frekvence jednoho generátoru při stabilní frekvenci generátoru druhého. Zařízení přitom pracuje v režimu 3. „Zázněje“ jsou velmi dobře slyšitelné :-), byť s mnohem vyšší frekvencí a amplitudou. Dále je zajímave přepojit svorky dál od bradavky, zhruba do poloviny výšky prsu a zopakovat experiment v režimu 2. Použijeme přitom co nejnižší rychlost modulace. Efektní je umístit jeden pár elektrod na malé labie a druhý na uzdičku poštěváčku a na hráz. Rozdíl mezi režimy 1 a 2 je markantní. Znalci k tomu mohou přidat i penetraci penisu. Další využití jistě každý najde sám.

Jak při konstrukci, tak při provozu zařízení je třeba dbát všech zásad bezpečnosti a oboustranného souhlasu s provozovanými praktikami. Autor výslovně zakazuje provoz tohoto zařízení se síťovým napájením a zříká se jakékoliv odpovědnosti za škody či poškození, vzniklá v souvislosti s provozem tohoto zařízení či jeho stavbou.

Zpět na hlavní stránku

Zpět na stránku, odkud jste přišli (např. sekce, seznam textů, obrázková mapa...) - alt+šipka vlevo v IE, klepnutí myší na šipku "Zpět" v adresním pruhu prohlížeče